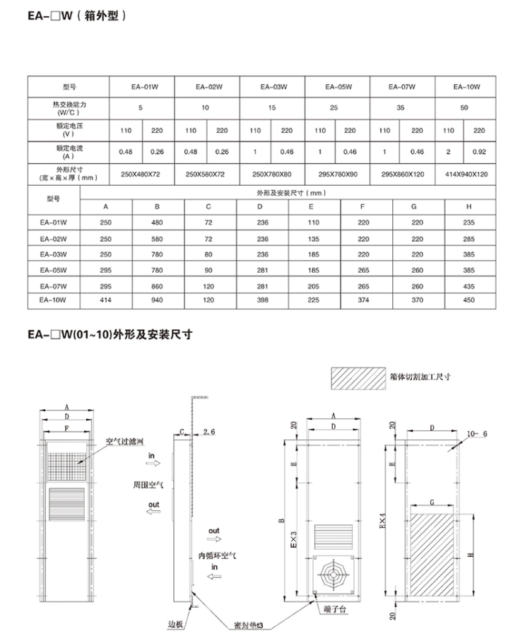
热交换器

热交换器
● 利用热管原理,使电气控制柜在密封状态下实现控制柜内部与外部的热交换。保证柜内环境空气清洁,延长电器元件的使用寿命。
● 广泛用于各种不同的控制柜、机床设备、配电柜等设备的冷却。


上海桐赛电气设备有限公司专业生产仿威图机箱,机柜,操作台,悬臂箱,数控操作箱,控制柜,控制箱,接线盒,按钮盒,防水盒,配电柜,配电箱,电脑柜,网络柜,工业空调,铸铝盒,不锈钢配电柜,户外柜,户外配电箱,温控器,加热器,冷凝水蒸发器,热交换器,仿威图配电柜,PLC柜,光伏汇流柜,非标操作台,不锈钢接线盒,仿威图等一系列产品;CE,ROHS,IP56,IP66防护等级认证,我们的产品在全球范围内提供高标准的项目配套,目前已经有7000多家合作客户,随着公司的发展,我们成为行业内产品较齐全、质量较稳定、生产规模较大的仿威图机柜制造厂商。
